更多相關
GTJ-XSY鋼筋銹蝕儀
...
GTJ-HTY全自動數顯回彈儀
...
GTJ系列錨桿拉拔儀
...
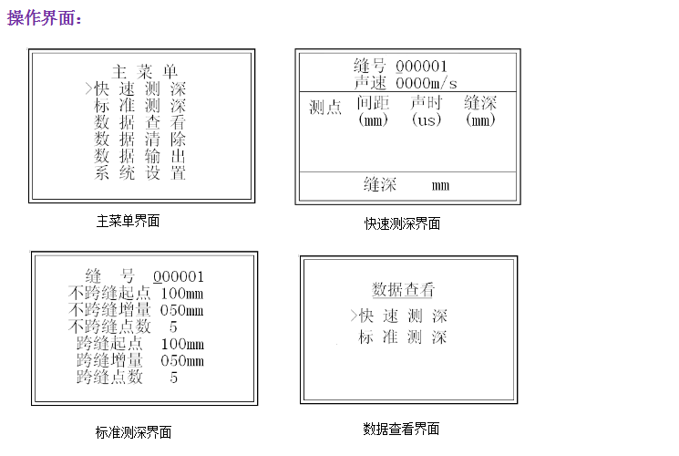
GTJ-FKY裂縫寬度測試儀
...
GTJ-P800基樁動測儀
...
GTJ-R800一體式鋼筋檢測儀
...
GTJ-LQ50落球式回彈模量測試儀
用途概述: 本設備適用于落球儀快速測試黏土、粉土、沙石土、礫石土土質路基得壓縮模量和回彈模量。 落球式回彈模量測試儀的原理是通過把剛性球體提升至限定位置,讓剛性球體自由落下并與測試面碰撞,在過...


銷售熱線:025-83708787
電子商務:025-83713119
技術服務:025-83709309
銷售電話:18151694144(姚經理)
銷售電話:18151677687(羅經理)
檢定維修:17314986887(李工)
服務 QQ :2547802335
電子郵箱:2547802335@qq.com
公司地址:南京市鼓樓區建寧路61號中央金地01幢401室
...
...
...
...
...
...
用途概述: 本設備適用于落球儀快速測試黏土、粉土、沙石土、礫石土土質路基得壓縮模量和回彈模量。 落球式回彈模量測試儀的原理是通過把剛性球體提升至限定位置,讓剛性球體自由落下并與測試面碰撞,在過...